


|
概述: 水環真空泵因其工作原理及結構上的特點使其在化工、制藥等行業得到了廣泛的應用。在正常的應用中,水環真空泵的工作液多采用直排方式,如圖1所示。
圖1一般的水環真空泵工作液供應及排放示意圖 水環真空泵排出的水進入大的循環水池或直接排走。這種供水及排水方式連接方便,使用簡單,在實際應用中被較多地采用。 但是如果被抽除的介質中含有有機溶劑、有毒物質等時,采用工作液直排的使用方法存在以下缺點: 因水環泵在抽除氣體時,被抽氣體與工作液混合,排水口排出的水中會含有部分有機溶劑、有毒物質,因水的排放量大,水的排放對環保造成了很大壓力。 含有有機溶劑、有毒物質的水會釋放出有害氣體,加重了對環境的污染。被抽除的有機溶劑不易回收而被浪費掉。 鑒于以上問題,越來越多的化工、制藥企業采用了水環式真空泵閉路循環系統。
2BW系列液環式真空泵閉路循環系統是由2BV或2BE系列液環真空泵及汽水分離器、換熱器及各類管路附件組成的成套設備。其相對于單臺液環真空泵而言,安裝更加方便。因工作液可循環使用,該系統大大減小了工作液的消耗和對環境的污染,因此在所抽除氣體中有毒,所抽除氣體含有有機溶劑等各種場合具有明顯優越性。在大多使用場合均可采用液環真空泵閉路循環系統。 液環真空泵閉路循環系統工作液可采用多種介質: 水,甲醇、乙醇、二甲苯、苯胺、丙酮等有機溶劑,變壓器油等
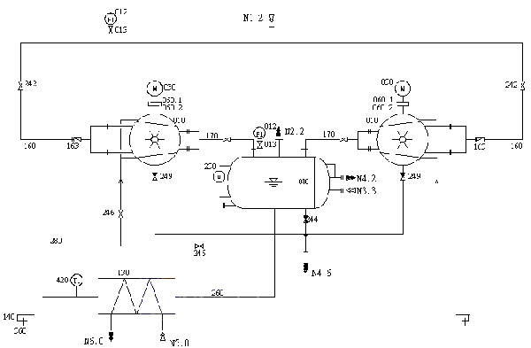
2BW系列液環式真空泵閉路循環系統(一開一備)流程圖 氣體由系統入口法蘭 N1.2 吸入 。氣體被壓縮攜帶部分工作液,通過排氣管線(170)排至分離器(080),在分離器內汽水分離。氣體被壓縮至排氣壓力后,通過法蘭口N2.2排出系統。分離器(080)配帶液位計(230) ,用以指示分離器內液位。分離器內液位由液位計(230)指示,正常液位限定在最高、最低液位標示之間(液位計的可視范圍)。若液位過低,通過補液口N3.3補充工作液;若液位過高,通過溢流口N4.0排液, 以此保證分離器內液位。 排空口N4.6用于徹底排凈分離器(080)和真空泵(010)內的液體。 工作液用于形成真空泵的液環。工作液通過管線(260),自分離器(080)流入換熱器 (130),冷卻后通過管線(280)返回真空泵。在此過程中,壓縮產生的熱及隨被抽氣體 帶入的熱被釋放掉。該閉環機組設計為兩臺真空泵(010)共用一臺分離器(080)和一臺換熱器(130)(真空泵一開一備),一臺真空泵工作時,備用泵的吸氣管路和排氣管路上的蝶閥須關好。正常多采用一臺真空泵(010)配套一臺分離器(080)和一臺換熱器(130)。 | |||||||||||||||||||||||||||||||||||||||||||||||||||||||||||||||||||||||||||||